TIP! Order per 10 (full box) for better price!
|
Spoke holes
|
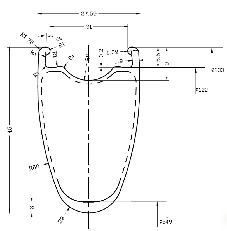
24h |
|
Weight
|
445g (+/- 15g) |
| Rim height |
45 mm |
| External wide |
28 mm |
| Internal wide |
21 mm |
| Use |
Road 700c |
| Finish |
Matt Black finish |
| Production |
|
| |
Tubeless Ready / Symmetrical
|
| NSD |
549
|
| Max Spoke tension |
350kgf
|
| |
|