- All products are added to your cart.
Add to cart
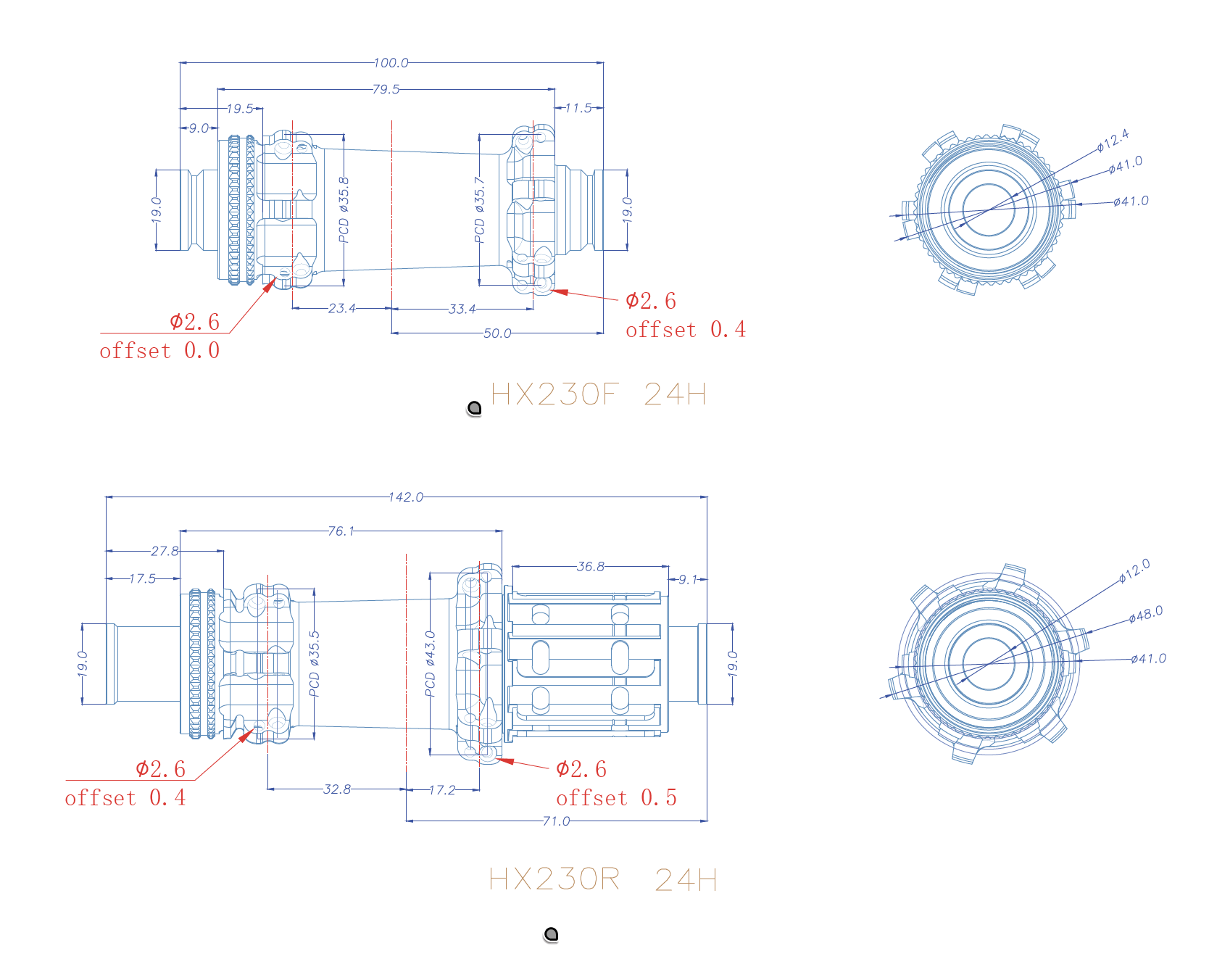
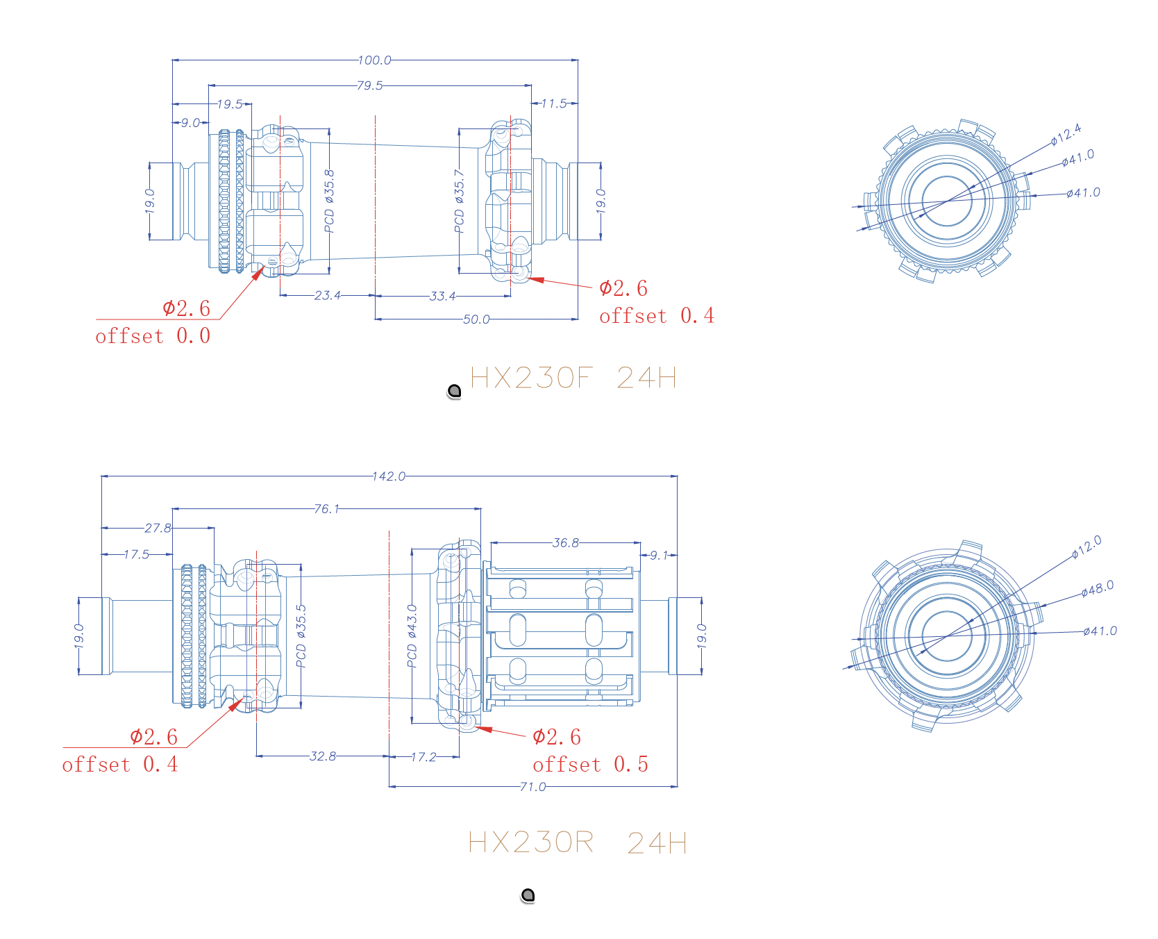
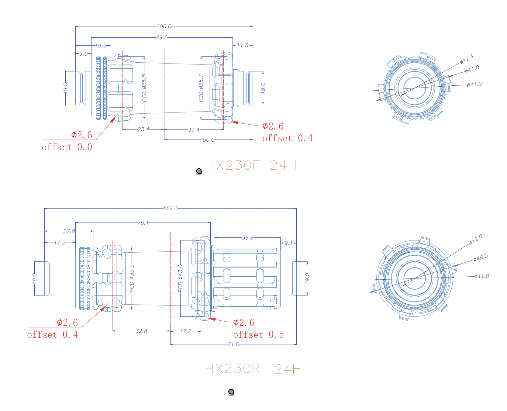
OGS Ultra Light Road Hubset
24h/24h | Straight Pull | Centerlock | Shimano Body
€699,00
(€845,79 Incl. tax)









